Sige Active Cooling Kit
The Sige Active Cooling Kit is a dedicated active cooling solution designed for the ArmSoM-Sige. It combines an aluminum heatsink with a temperature-controlled fan to keep your ArmSoM-Sige operating at a comfortable temperature even under heavy loads.
Please note that the Sige DIY Case 1 and the Sige Active Cooling Kit cannot be used together.
Heatsink

- Material: AL6063-T5
- Finish: Sandblasting + Oxidized Glossy Black
- Weight: 30g
Compatibility
- Sige1 2mm Thermal Pad
- Sige3 2mm Thermal Pad
- Sige5 2mm Thermal Pad
- Sige7 1mm Thermal Pad
3505S Cooling Fan

Detailed Specifications
| ITEM | SPECIFICATION/CONDITION |
|---|---|
| Bearing Type | Hydraulic |
| Rating Voltage | DC 5V |
| Rated Voltage | 2.5~5.5 VDC |
| Start-Up Voltage | 2.5 VDC (Temp 25°C) |
| Rated Current | 310 mA (Max 340 mA) |
| Rated Speed | 10000 RPM ±10% |
| Air Flow | 2.0 CFM (Min 1.80 CFM) |
| 0.056 m³/MIN (Min 0.051 m³/MIN) | |
| Static Pressure | 26.75 mm-H2O (Min 21.67 mm-H2O) |
| 1.05 inch-H2O (Min 0.85 inch-H2O) | |
| Noise Level | 54 dB(A) (Max 56.5 dB(A)) |
| Protection Type | |
| Resistance Protected | YES |
| Reverse Connect Protection | YES |
| Auto Start | NO |
| Tachometer Output | NO |
| Lock Rotor Alarm Output | NO |
| Pulse Width Modulation | YES |
| Signal Feedback | YES |
| Thermal Speed Controlled | NO |
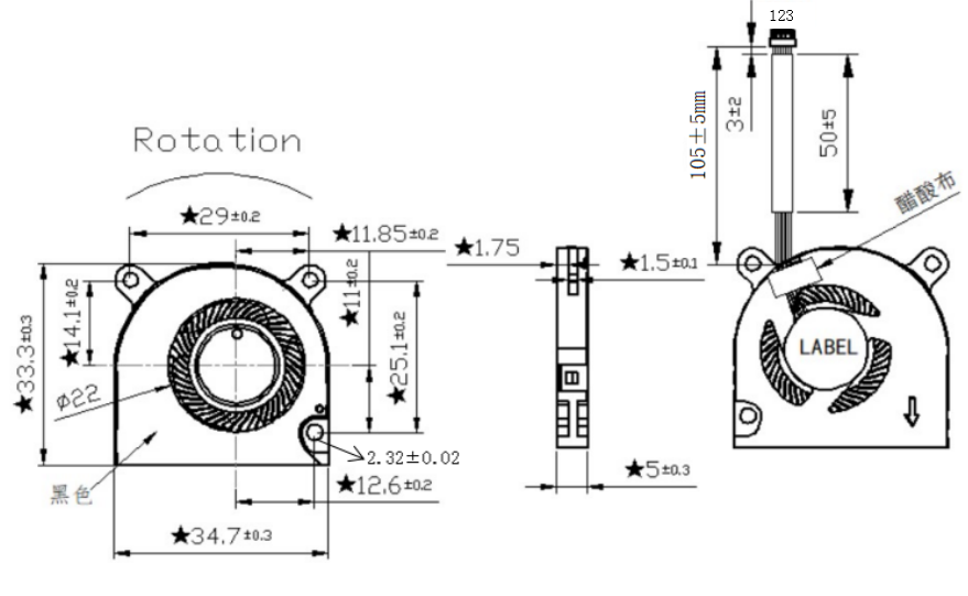
| Connection Lead Type | UL10064 AWG#32, 105±5mm outside the frame, Red (Positive), Black (Negative), Blue (PWM Speed Control) |
| Housing | JST 04SUR-32S OR EQUIVALENT (Blue, Black, Red) |
| Label | DC5V-0.45A |
| Pin Terminal | NO |
Average Lifespan
After continuous operation at a specified constant temperature, the average lifespan can be estimated if 90% of the units are still operational after testing.
| Sleeve Bearing | Test Temperature | Test Time (hours) |
|---|---|---|
| Hydraumatic | 25°C | 33,000 |
| Hydraumatic | 40°C | 25,000 |
| Hydraumatic | 60°C | 20,000 |
Fan Static Pressure and Airflow Curves
| NO | Duty Cycle | Speed (RPM) | Current (mA) | Pressure (mm-H2O) | Air Flow (CFM) | SPL (dB(A)) @ 0.1m |
|---|---|---|---|---|---|---|
| 1 | 100% | 10,000 | 310 | 26.75 | 2.0 | 54 |

Other Parameters
- Operating Temperature: Normal operation between -10°C to 50°C
- Storage Temperature: After storage at -20°C to 40°C for 500 hours, and a 24-hour recovery period at room temperature, all functions operate normally
- Humidity: 95% RH. After 96 hours of humidity testing at 40±2°C per MiL-STD-202F Standard 103B, insulation resistance and strength measurements meet 8.0 requirements.
- Wire Model LEAD WIRE: UL10064 AWG#32, external wire length 105±5mm
- PIN 1: Blue Wire (BLUE WIRED) --- (PWM)
- PIN 2: Black Wire (BLACK WIRED) --- (-)
- PIN 3: Red Wire (RED WIRED) --- (+)
Documents
Assembly Instructions
Purchase Samples
ArmSoM online shop: https://www.armsom.org/product-page/sige-active-cooling-kit
ArmSoM Aliexpress online shop: https://aliexpress.com/item/3256807357737339.html
ArmSoM Taobao shop: https://item.taobao.com/item.htm?id=824930133991
OEM&ODM, please contact: sales@armsom.org